Shenzhen Connector Technology Co., Ltd
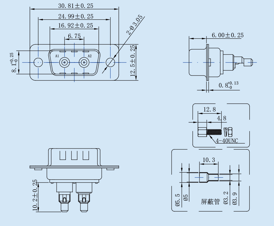
2W2 RF Wire Bonding Traditional Riveting Male Head
2W2 RF Wire Bonding Traditional Riveting Male Head
2W2 RF Wire Bonding Traditional Riveting Male Head
Details

 SZCNT22-Series-InstructionsD-SUB组-46_07.jpg


Technical Specifications

● High frequency contact characteristic impedance: 50 Ω, 75 Ω

● Rated current with signal contact: 5.0A

● Working voltage: 250V

● Dielectric withstand voltage: 750V AC for 1 minute

● High frequency contact resistance: 15m Ω

● Insulation resistance: 2000M Ω Min at 500V DC

● Temperature range: -55 ℃ to+105 ℃

● Protection level: IP20

● Shell material: steel or copper alloy, surface treated with tin plating or nickel

● Insulator material: PBT+30% GF (fire rating UL94V-0) 

● High frequency contact material: copper alloy, gold-plated

● Signal contact material: copper alloy, gold-plated

● Bracket/screw material: copper alloy, nickel plating


Messages

Please fill in the following fields, and we will reply to your request as soon as possible!

86-0755-83932070

pm08@szcnt.com

Top