Main features
● Safe and reliable threaded connection system
● Positioning pin structure is used for connector alignment
● Multiple positioning pin options to avoid mixed insertion between similar connectors
● Comprehensive shielding effect, anti electromagnetic interference
● Multi core type 2~64 cores
● High density installation, saving space
Technical Specifications
Insertion and unplugging times:>1000 times
Humidity: up to 95% at a temperature of 60 ℃
Temperature range: -40 ℃~150 ℃
Vibration: 10-2000Hz, 15g
Mechanical impact: 100g · 6ms
Salt spray test: 48 hours
Protection level: Deep water IP68 (when plugged in and out)
Shielding effect:>75dB at 10MHz;>40dB at 1MHz
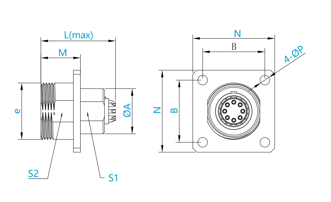
FLG series fixed socket/flange installation/positioning pin positioning

| Number | External dimensions of connector (mm) | ||||||||
| Model | Shell number | A | B | L | M | N | P | S1 | S2 |
| FLG | 2W | 16 | 22 | 28.5 | 14 | 29 | 3.4 | 14.5 | 18.5 |